8.65 € su PVM
Liko 6
| Numatomas pristatymas kurjeriu (1-3 d.d.) | Ketvirtadienį, Gegužės 21d. | |
| Numatomas atsiėmimas paštomate (1-3 d.d.) | Ketvirtadienį, Gegužės 21d. | |
| Atsiėmimas parduotuvėje * | RYTOJ, Gegužės 20d. | |
|
Prekių likučiai
6 vnt.
6 vnt.
|
||
| * Prekę atsiimti galite RYTOJ, Gegužės 20d. iki 17:30 val. | ||
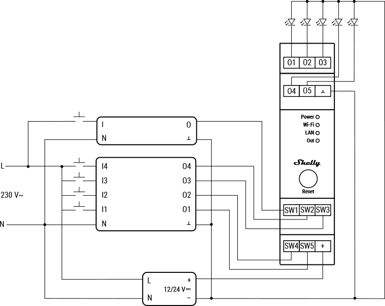
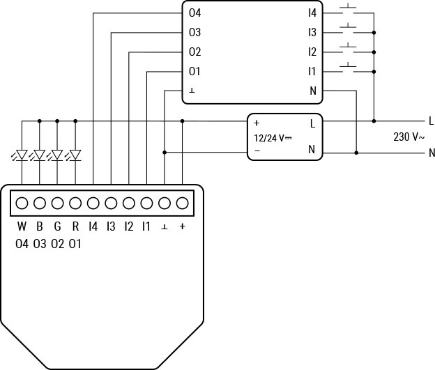
Shelly 4 kanalų keitiklis (decoupler) 230VAC i DC trigeris
„Shelly 4-Channel Decoupler 230V“ – kompaktiškas, bet galingas modulis, jungiantis tradicinius AC jungiklius su šiuolaikiniais DC maitinamais išmaniaisiais įrenginiais. Sukurtas saugumui ir efektyvumui: paverčia AC signalus patikimais DC trigeriais, leidžia sklandžią automatizaciją ir apsaugo įrenginius nuo aukštos įtampos poveikio. Su keturiais nepriklausomais kanalais – idealus pasirinkimas pažangioms išmanių namų sistemoms, kur viename kompaktiškame sprendime reikalinga daug įėjimų.
Kodėl verta rinktis „Shelly 4-Channel Decoupler 230V“
-
AC→DC signalų konversija: saugiai paverčia standartinius 230 V~ signalus patikimais DC trigeriais.
-
Elektrinė izoliacija: apsaugo išmaniuosius įrenginius ir DC apkrovas nuo aukštos įtampos AC trikdžių.
-
Keturios nepriklausomos linijos: vienu kompaktišku moduliu valdykite kelis įrenginius.
-
Platus suderinamumas: sklandžiai veikia su Shelly Plus RGBW PM, Shelly Pro RGBWW PM, Shelly Plus Uni ir Shelly Plus Add-On.
-
Lanksti integracija: palaiko specializuotus valdymo mechanizmus – jungiklius, mygtukus, relių kontaktus, potenciometrus.
-
Mažos sąnaudos: < 0,6 W, taupu neaukojant našumo.
Kaip tai veikia
„Shelly 4-Channel Decoupler 230V“ naudoja optinį izoliatorių (optoporą), kad saugiai sujungtų dvi atskiras grandines. AC signalas sužadina DC įėjimą, todėl esami AC jungikliai gali valdyti DC apkrovas ar išmaniuosius įrenginius be tiesioginio elektrinio ryšio. Taip užtikrinama saugi izoliacija, ilgaamžiškumas ir suderinamumas su plačiu valdiklių spektru.
Techninės specifikacijos
Fiziniai parametrai
-
Matmenys (A×P×G): 44 × 34 × 7 mm
-
Svoris: 25 g
-
Korpuso spalva: balta (230 V versijos) | juoda (120 V versijos)
-
Laido ilgis: 80 mm
-
Nuizoliuotos gyslos ilgis: 5 mm
-
Laidų spalvos (4 kanalai): ruda (I1–I4), mėlyna (N), raudona (O1–O4), juoda (⏚)
Aplinkos sąlygos
-
Darbo temperatūra: 0…+40 °C
-
Laikymo temperatūra: −20…+40 °C
-
Drėgmė: 30 %…70 % RH
-
Didžiausias aukštis: 2000 m
Elektros parametrai
-
Savar. suvartojimas: < 0,6 W
-
Įėjimo įtampa: 230 V~ 50 Hz („Shelly 4-Channel Decoupler 230V“) |
-
Maks. išėjimo srovė: 2,4 mA DC
Puikiai tinka pažangiems išmaniems namams
Dėl keturkanalės konstrukcijos, kompaktiško dydžio ir energiškai efektyvaus veikimo „Shelly 4-Channel Decoupler 230V“ – aukščiausio lygio sprendimas integruojant kelis AC jungiklius su DC pagrindu veikiančiais išmaniaisiais įrenginiais. Tai maksimalų saugumą, lankstumą ir sklandų valdymą užtikrinantis komponentas šiuolaikinėms prijungtoms sistemoms.
Shelly yra novatoriškų prietaisų šeima, leidžianti nuotoliniu būdu valdyti elektrinius prietaisus naudojantis jūsų mobiliuoju telefonu ar namų automatika.
Pas mus rasite platų Shelly elektra valdomų jungiklių (relių) asortimentą, paprastai įgyvendinamus sprendimus su apšvietimu, buitine technika ar kitais prietaisais. Galime pasiūlyti Shelly reles montuojamas ant DIN bėgelio suderinamas su KNX ir kitomis sistemomis.
Specifikacija
| Svoris | 50 g |
|---|---|
| Automatizavimo segmentas |
Priedai |
| Gamintojas |
Shelly |
| Suderinamumas |
Shelly Plus RGBW PM, Shelly Pro RGBWW PM, Shelly Plus Uni, Shelly Plus Add-On. |
